Włącznik światła mechaniczny 3G2W SZARY
Wystaw opinię o produkcie
Kod produktu: TW-M302-GR
Opis

WŁĄCZNIK ŚWIATŁA
KOLOR: SREBRNY/SZARY RODZAJ: 3 GANG 2 WAY
Elegancki i klasyczny włącznik mechaniczny światła wykonany z wysokiej jakości szkła hartowanego. Ten stylowy włącznik nie tylko spełnia swoją podstawową funkcję, ale także stanowi doskonały element dekoracyjny, który doda elegancji i nowoczesności każdemu wnętrzu.
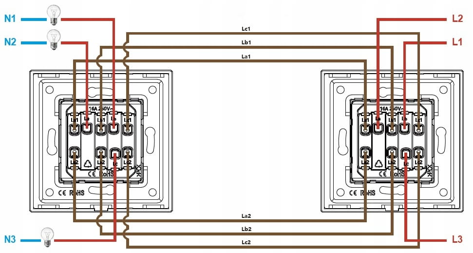
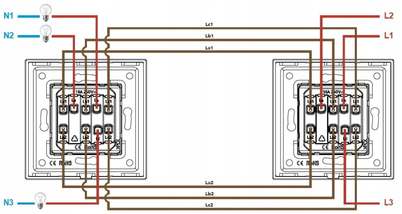
3G2W – G oznacza liczbę przycisków, a W liczbę obwodów, czyli 3G2W to potrójny przełącznik dwukierunkowy. Pozwala na niezależne sterowanie trzema obwodami, przy czym każdy z trzech przycisków może sterować danym obwodem z dwóch różnych miejsc.
Przykład: trzy oddzielne źródła światła (lub grupy świateł), gdzie każde można włączać/wyłączać z dwóch lokalizacji — np. na dole i na górze schodów, na dwóch końcach korytarza czy w dużym salonie z kilkoma wejściami.
Jest to włącznik schodowy.
SPECYFIKACJA
- Rodzaj: potrójny włącznik 3G2W
- Seria: FLEX
- Napięcie: 100-240VAC
- Częstotliwość: 50/60 Hz
- Wytrzymałość: 100 000 cykli
- Stopień ochrony: IP20
- Wymiary: 86 x 86 mm
- Montaż: na śruby
- Kolor: srebrny/szary
- Produkt na 1 puszkę (fi 60)
- Produkt kompletny (nie trzeba nic dokupować) i gotowy, aby zamontować go na ścianie


CECHY
- Powierzchnia łatwa w utrzymaniu porządku
- Wyprodukowane z hartowanego szkła
- Wodoodporna powłoka
- Estetyczne wykonanie, minimalistyczny design
- Możliwość dopasowania do wnętrza - do wyboru czarne, białe, złote i szare (dostępne na innej naszej aukcji)
- Produkt pasuje do standardowej puszki (⌀60)
- Prosta obsługa i łatwe podłączenie
- Może być użyty jako wyłącznik schodowy
- Jeśli posiadają Państwo rolety, karnisze lub żaluzje sterowane elektrycznie w swojej ofercie posiadamy również idealnie pasujące do nich przełączniki rolet, a także włączniki światła i włączniki światła WiFi - dzięki temu w domu można pięknie ujednolicić przełączniki co wpływa na estetykę całego pomieszczenia
- Na klawiszu naniesione są kropki farby fluorescencyjnej – dzięki temu po zgaszeniu światła łatwo znaleźć włącznik nawet w zupełnej ciemności. Farba „ładuje się” światłem (naturalnym lub sztucznym), a potem oddaje światło przez kilka godzin.
Opinie
Jeśli dodałeś/-aś recenzję, a nie pojawiłą się na liście, być może oczekuje na moderację.